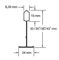
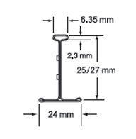
The suspension system is produced from hot dipped galvanized steel with factory polyester color by PPGi process (Pre Painted Galvanized Iron). The system is able to withstand heavy weight with strength and durability. It is aesthetically pleasing and easy and quick to install.






.jpg)
.jpg)

