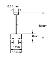
Specification of PeakForm SILHOUETTE suspension system
The suspension system is produced with hot dipped galvanized steel, coated with factory polyester. The system is able to withstand heavy weights with strength and durability. It is aesthetic,easy and quick to install and comes with a variety of patterns to select from.








