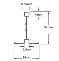
Specification of SELECT/NEW SELECT suspension system
The suspension system is produced with hot dipped galvanized steel, coated with factory polyester by PPGi process (Pre Painted Galvanized Iron).The system is able to withstand heavy weights with strength and durability. It is aesthetic and easy and quick to install.







